预埋件
- 编号 20190731001
- 所属项目 淮安盐化新材料产业园区污水处理厂提标改造工程
- 发布日期 2019-07-31
- 截止日期 2019-08-03 00:00
- 询价范围 【公开】
- 收货地 江苏省/淮安市/市辖区
- 付款方式 款到发货
- 质保要求 2年
- 报价要求 含税 (13%) 包含运费
- 发布公司 登录后可见
- 联系人 登录后可见
- 联系电话 登录后可见
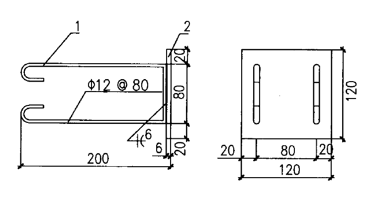
- 附件 预埋件.png
询价产品
| # | 商品名称 | 品牌 | 标准 | 材质 | 型号 | 数量(单位) | 技术参数 |
|---|---|---|---|---|---|---|---|
| 1 | 预埋件 | 120*120*6 | 960(块) | 黑铁,每块带20厘米钢筋4根 |
补充说明
样图见附件